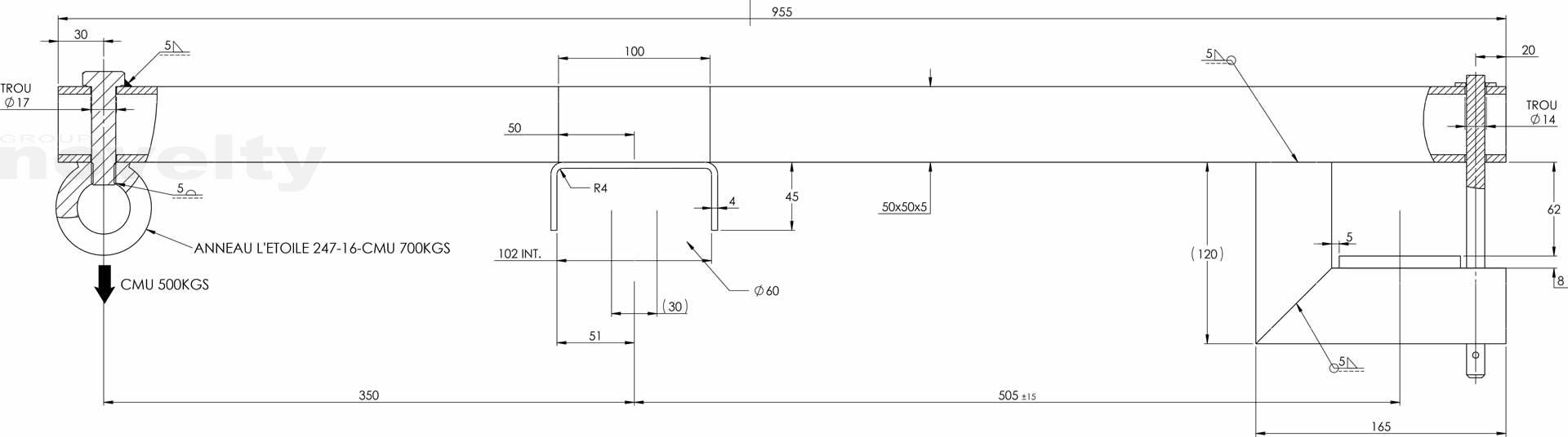
ASD SC500 Potence
Potence pour série SC500, charge 500 kg, couleur alu. Pour déport moteur ou autre.



Informations
- Référence : SC500 Potence
- Codart : SC500-SUPMOT
- Télécharger nos catalogues PDF
Documents to download
Map : Potence SC500
Certificates on accordance : Note de Calcul
Catalog ASD

























