Discontinued product
VERLINDE SM10-20M-4M/MN
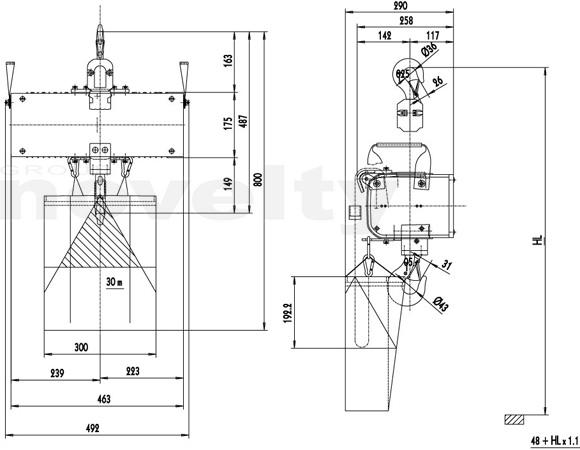
Palan électrique SM10 1000kg, 20m, 4m/mn




Informations
- Référence : SM10-20M-4M/MN
- Codart : MOT1T-25M-4M/MN
- Télécharger nos catalogues PDF
Documents to download
Technical Manual : SM10
Catalog VERLINDE














